
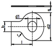
DIN 93 Dimensions for Tab Washers
| d1 |
for |
d2 |
s |
l |
r |
b |
| 4.3 |
M 4 |
14 |
0.38 |
14 |
2.5 |
5 |
| 5.3 |
M 5 |
17 |
0.50 |
16 |
2.5 |
6 |
| 6.4 |
M 6 |
19 |
0.50 |
1820 |
4.0 |
7 |
| 8.4 |
M 8 |
22 |
0.75 |
20 |
4.0 |
8 |
| 10.5 |
M 10 |
26 |
0.75 |
22 |
6.0 |
10 |
| 13.0 |
M 12 |
30 |
1.00 |
28 |
10.0 |
12 |
| 15.0 |
M 14 |
33 |
1.00 |
28 |
10.0 |
12 |
| 17.0 |
M 16 |
36 |
1.00 |
3236 |
10.0 |
15 |
| 19.0 |
M 18 |
40 |
1.00 |
36 |
10.0 |
18 |
| 21.0 |
M 20 |
42 |
1.00 |
36 |
10.0 |
18 |
| 23.0 |
M 22 |
50 |
1.00 |
42 |
10.0 |
20 |
| 25.0 |
M 24 |
50 |
1.00 |
42 |
10.0 |
20 |
| 28.0 |
M 27 |
58 |
1.60 |
48 |
16.0 |
23 |
| 31.0 |
M 30 |
63 |
1.60 |
52 |
16.0 |
26 |
| 34.0 |
M 33 |
68 |
1.60 |
56 |
16.0 |
28 |
| 37.0 |
M 36 |
75 |
1.60 |
60 |
16.0 |
30 |